MXO 오실로스코프를 이용한 전기차 드라이브트레인 최적화

자동차 산업은 전기차로 전환되는 과도기에 놓여 있습니다. 전기차 드라이브트레인의 정밀 측정과 분석은 성능, 효율성, 안정성 향상의 핵심 요소입니다. 전압 및 전류 파형을 실시간으로 파악할 수 있는 MXO 오실로스코프는 전기차 드라이브트레인의 측정을 위한 필수적인 테스트 툴입니다. 개발 엔지니어와 기술 담당자는 MXO 오실로스코프를 통해 복잡한 메커니즘을 파악하고 드라이브트레인의 성능과 효율성을 높일 수 있습니다.

드라이브트레인 분석에 사용되는 MXO(프로브 인터페이스 및 전류 프로브 포함)
드라이브트레인 분석에 사용되는 MXO(고전압 디퍼런셜용 프로브 인터페이스 및 전류 프로브 포함)
라이트박스 열기

목표

드라이브트레인 성능 특성분석을 다각적으로 수행하며 원활한 통합과 최적의 기능을 보장합니다. 각 단계에서 전력 변환과 효율성, 역률을 확인하고 개선점을 파악하기 위해서는 드라이브트레인 내 주요 포인트의 전압 및 전류 파형을 분석해야 합니다. 제어 입력에 따라 정확하게 응답하는 모터 동작을 확인하기 위해 모터 제어 알고리즘을 검증해야 합니다. 과도 현상을 분석하면 부하 또는 전력 조건의 급격한 변동에 다른 드라이브트레인의 반응을 확인할 수 있습니다. 고조파 시스템 왜곡을 식별 및 완화하면 전력 품질과 전반적 드라이브트레인 신뢰성을 높일 수 있습니다. 포괄적 접근 방식은 드라이브트레인 동작을 완벽히 파악하고 드라이브트레인 성능을 최적화해줍니다.

로데슈바르즈 솔루션

이와 같이 각각 다른 측정 요구사항을 처리할 때에는 다른 장비를 사용해야만 정밀 결과를 얻을 수 있습니다. 정확한 측정을 위해 전력 분석기, 저주파 벡터 분석기 또는 버스 디코더를 활용할 수 있습니다. 또한, 오실로스코프에서 시간과 진폭의 관계를 시각화하고 FFT, math 기능, 고조파 분석, 디지털 통신 프로토콜 디코딩, 주파수 응답 분석과 같은 다양한 툴을 이용할 수 있습니다.

기본 시간 분석, 초고속 파형 획득, 18비트 HD 분해능, 초고속 FFT 스펙트럼 기능, 대용량 레코드를 제공하는 MXO 차세대 오실로스코프 시리즈는 전기 드라이브트레인 최적화를 구현할 수 있는 최적의 장비입니다. MXO 5 시리즈는 전압과 전류를 동시에 측정하는 3상 분석을 위해 설계된 최초의 8채널 오실로스코프입니다.

장점

  • 450만 waveforms/s: 최고 99 %의 가장 빠른 캡처 속도
  • 18비트 HD 모드: 가장 정밀하고 정확한 성능
  • 채널당 400 Mpoints/500 Mpoints: 높은 샘플 레이트를 더 길게 유지
  • 45,000 FFT/s: EMI 분석에 적합한 응답성 뛰어난 스펙트럼
  • 디지털 트리거: 0.0001 div의 가장 높은 트리거 감도
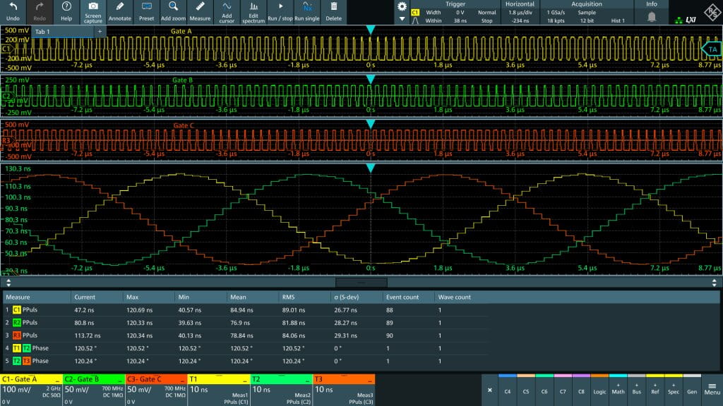
PWM을 트레이스로 시각화하여 분석할 수 있는 MXO(추적 기능 탑재)
PWM을 트레이스로 시각화하여 분석할 수 있는 MXO(추적 기능 탑재)
라이트박스 열기

더 많은 채널을 필요로 하는 인버터 구동 컨트롤

DC 배터리 전력을 AC 전기 모터 구동 전력으로 변환하는 것이 드라이브트레인의 주 요소입니다. 효율성 향상을 위해 정기 인버터 게이트(토템-폴)가 PWM(펄스 폭 변조)를 사용해 DC 펄스를 다른 폭으로 전환하고 해당 폭은 AC 형태로 필터링되어 모터를 구동합니다. 3상 전기 모터는 3세트의 인버터 게이트가 필요하며, 해당 인버터 게이트의 스위칭 로직과 타이밍에 따라 구동 성능이 달라집니다. 전압과 전류는 각 인버터 상에서 측정합니다. 센서가 토크와 모터 구동 속도를 측정하여 정보를 제공합니다. MXO 5 시리즈는 더 많은 채널을 탑재하고 있어 인버터 구동 컨트롤을 포괄적으로 파악할 수 있습니다.

인버터를 통해 DC 전력을 3상 AC 전력으로 변환함
인버터를 통해 DC 전력을 3상 AC 전력으로 변환함
스위칭 게이트 문제
MXO 디지털 트리거는 시나리오 분석에 유용하며, 설계 시 High 및 Low 측 게이트의 스위칭 사이에서 충분한 데드 타임을 확보할 수 있는 탁월한 역할을 수행합니다.
라이트박스 열기

스위칭 게이트 문제

더욱 효율적이고 빠른 드라이브트레인 응답을 위해 IGBT(Insulated-Gate Bipolar Transistor)가 적용된 설계는 와이드 밴드갭 기술을 사용하여 더욱 빠른 스위칭을 제공하는 트랜지스터(예: SiC(실리콘 카바이드))로 전환되고 있습니다. 뿐만 아니라 트랜지스터는 Dynamic-on 저항이 낮아 전도 효율이 높습니다.

상승/하강 엣지가 빠를수록 시스템에 EMI 노이즈가 발생하기 쉬우므로 설계가 어려워집니다. 기생 신호는 Ringing을 강화할 수 있으며, High 및 Low 측 게이트가 모두 켜졌을 때 Shoot-through 이벤트로 손상을 입힐 수 있습니다. 트랜지스터 및 인버터 회로에 대해 추가적인 타이밍 분석이 필요합니다.

MXO 시리즈 디지털 트리거는 트랜지스터 게이트에서 글리치를 탐지하는 데 매우 유용합니다. 18비트 HD 분해능에는 높은 트리거 감도로 설계를 디버그할 수 있으며, 고정밀 트리거가 가능한 파형이 있습니다. 빠른 FFT로 EMI 방출을 탐지하고 회로 필터 설계를 개선할 수 있습니다.

T2가 켜진 경우 T1 트랜지스터 게이트의 글리치가 Shoot-through 이벤트를 일으킵니다.
T2가 켜진 경우 T1 트랜지스터 게이트의 글리치가 Shoot-through 이벤트를 일으킵니다.

요약

전기차 드라이브트레인을 개선하기 위해서는 높은 수준의 3상 고조파 개선부터 게이트 드라이버 스위칭 분석까지 다양한 테스트 방식이 필요합니다. 고정밀 사양 측정을 위한 전력 분석기와 달리, 오실로스코프는 사용자가 다른 타이밍 제어에 대해 시간별 동작을 이해할 수 있는 타이밍 화면을 제공할 수 있습니다. 오실로스코프는 또한 전기 전력 효율성 측정, EMI 디버깅, 고조파 분석, 버스 디코딩과 관련해 시간 및 주파수 도메인을 이용한 다양한 테스트 성능을 제공합니다.

전기 드라이브트레인은 일반적으로 응답이 느리기 때문에 MXO 시리즈 오실로스코프는 여기에 적합한 대용량 레코드를 기본적으로 탑재하고 있습니다. 디지털 트리거, HD 정밀도, 측정 추적, 빠른 스펙트럼 분석, 8채널 성능은 전기 드라이브트레인 성능 평가 시 무한한 측정 가능성을 열어줍니다.

정보 요청

Do you have questions or need additional information? Simply fill out this form and we will get right back to you.
For service/support requests, please go here to log in or register.

마케팅 동의

신청하신 내용이 제출되었습니다. 빠른 시일 내 회신 받으실 것입니다.
An error is occurred, please try it again later.